Home BMW Repair

BMW 7 Series (E32) Service Manual:
1988, 1989, 1990, 1991,
1992, 1993, 1994

735i, 735iL, 740i, 740iL, 750iL

by Bentley Publishers

Hardcover, 8 3/8 in. x 11 in.
984 pages
839 photos, illustrations, and diagrams
ISBN-13: 978-0-8376-1619-3
Price: $199.95

The BMW Repair Manual: 7 Series (E32): 1988-1994 is the only comprehensive, single source of service information, technical specifications, and wiring schematics available specifically for the BMW 7 Series from 1988 to 1994. The aim throughout this manual has been simplicity, clarity and completeness, with practical explanations, step-by-step procedures and accurate specifications. Whether youre a repair professional or a do-it-yourself BMW owner, this manual will help you understand, care for and repair your E32 7 Series.

Click here to view an excerpt from this manual:
113 Cylinder Head Removal and Installation
Intake manifold non-return valve, removing and installing (M60 engine)

New durable hardcover format - This BMW manual is now being published as a durable, long-lasting hardcover book designed to withstand many years of use in a professional shop or home garage.

Though the do-it-yourself BMW owner will find this manual indispensable as a source of detailed maintenance and repair information, the BMW owner who has no intention of working on his or her car will find that reading and owning this manual will make it possible to discuss repairs more intelligently with a professional technician.

BMW 7 Series models and engines covered by this BMW repair manual:

  • 735i
    (M30 - 3.5 liter engine)
  • 735iL
    (M30 - 3.5 liter engine)
  • 740i
    (M60 - 4.0 liter engine, OBD II)
  • 740iL
    (M60 - 4.0 liter engine, OBD II)
  • 750iL
    (M70 - 5.0 liter engine)

Transmissions covered:

Automatic (remove, install, external service)

  • ZF 4 HP 22 EH
  • ZF 4 HP 24 EH
  • ZF A5S 560Z

Manual (remove, install, external service)

  • Getrag 260/6

Technical highlights:

  • Maintenance procedures from brake fluid changes to resetting the Service Indicator. This manual tells you what to do and how and when to do it.
  • Engine service, repair, and reconditioning, including valve clearance adjustment for 6-cylinder (M30) engine and camshaft timing chain setup and adjustment for V8 (M60) and V12 (M70) engines.
  • Information for specific driveability problems for DME 1.2 (early and late), DME 1.3, DME 1.7, and DME 3.3 engine management systems, On-Board Diagnostics (OBD), and Electronic Throttle Control (EML).
  • Suspension and brake system maintenance, troubleshooting, adjustment and repair, including ABS, traction control (ASC/ASC+T), self levelling suspension (LAD), and electronic damping control (EDC III).
  • Automatic heating and air conditioning (IHKA) repair, including A/C component replacement.
  • Body adjustments and repairs.
  • Wiring schematics for circuits including power distribution, grounds circuits, and an expanded electrical component location section.
  • Comprehensive BMW factory tolerances, wear limits, adjustments and tightening torques that youve come to expect from Bentley manuals.

Additional technical content

For additional technical content for the BMW 7 series from model years 1988 through 1994, visit our online technical library by clicking below.

Online Technical Library
BMW 7 Series MY 1988 - 1994 (E32)

Publishing note: Prior to February 2010, this book was published in a softcover edition (ISBN 978-0-8376-0328-5)

click to enlarge, and for longer caption if available
020 Maintenance
See how to perform routine maintenance procedures, such as checking brake pad thickness.
click to enlarge, and for longer caption if available
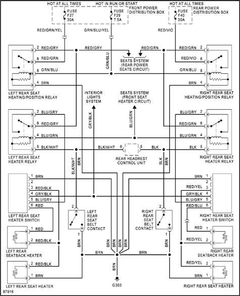
ELE Electrical Wiring Diagrams
1990 750iL Rear Seat Heater Circuit
click to enlarge, and for longer caption if available
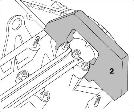
117 Camshaft Timing Chain
- Lock camshafts at TDC using BMW special tool 11 3 190 (2, one tool per cylinder head).
click to enlarge, and for longer caption if available
610 Electrical Component Locations
Quickly locate electronic control modules, relays and fuses.
BMW 7 Series(E32) 1988-1994 Manual
BMW 7 Series(E32) 1988-1994 Manual
Wholesale Case Quantity: 5
BSIN: B794
ISBN: 978-0-8376-1619-3 (ISBN-10)
ISBN: 978-0-8376-1619-3 (ISBN-13)
Permalink: http://www.bentleypublishers.com/c/B794